Погружной насос для отвода сточных вод для повторно-кратковременного режима эксплуатации, для стационарной и мобильной установки в погруженном и непогруженном состоянии.
P - со штекером.
Гарантия 2 года.
Характеристики товара
-
Основные:
- Wilo
- Германия
- г.Минск, пер.Липковский, д.32
- Дренажный, Фекальный
- Погружной
- Нет
- Отвод сточных вод
- Нет
- Нет
-
Габариты и Материалы:
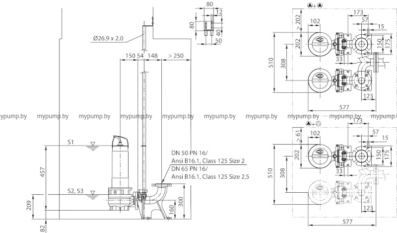
- 10
- DN 50/Rp 2
- Чугун EN-GJL-250
- Чугун EN-GJL-250
- Чугун EN-GJL-250
- Нержавеющая сталь 1.4021 (AISI420)
- 457
- 38
-
Гидравлические:
- Вода, Грязная вода, Вода с фекалиями
- 5,7
- 20
- 20
- 50
- +3...+40
- 1
-
Электрика:
- 1~230 V, 50 Hz
- 1,1
- 2900
- 50
- IP 68
- Пока нет отзывов
Все технические характеристики предоставлены официальными источниками заводов-производителей и носят ознакомительный характер. Для получения более полной и точной информации просим обращаться к нашим специалистам.
info@mypump.by







