Самовсасывающие установки водоснабжения идеально подходят для водоснабжения в частных домах и сооружениях. Так же предназначены для полива, орошения и автомобильных моек.
Характеристики товара
-
Основные:
- Wilo
- Германия
- г.Минск, пер.Липковский, д.32
- Поверхностный
- Водоснабжение
- Насосная станция (Гидрофор)
-
Габариты и Материалы:
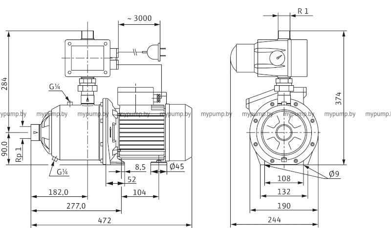
- 472
- 17
- Нержавеющая сталь 1.4304
- нержавеющая сталь 1.4057/1.4404 (1,1 кВт)
- графит/керамика
- Noryl
-
Гидравлические:
- Нет
- 57
- 7
- 8
- Чистая вода без осаждающихся веществ, Бытовая, холодная, охлаждающая, дождевая вода
- +5...+35 °C
- 2
-
Электрика:
- 1~230 В, 50 Гц
- 1,51
- 2900
- F
-
Подсоединение к трубопроводу:
- Резьбовое, Rp 1
- Пока нет отзывов
Все технические характеристики предоставлены официальными источниками заводов-производителей и носят ознакомительный характер. Для получения более полной и точной информации просим обращаться к нашим специалистам.
info@mypump.by






