Циркуляционный насос с мокрым ротором и резьбовым соединением. Возможен выбор ступеней частоты вращения для регулировки мощности. Применение: первичные контуры солнечных и геотермальных установок.
Характеристики товара
-
Основные:
- Wilo
- Германия
- г.Минск, пер.Липковский, д.32
- Отопление
-
Электрика:
- 1~230 В, 50 Гц
- 81, 113, 151
- 930 - 2122, 1505 - 2404, 2035 - 2760
- IP 44
-
Гидравлические:
- 8
- 55
- 10
- Вода систем отопления, Водогликолевая смесь
- от –10 до +110 °C (в кратковременном режиме 2 ч: +120 °C)
-
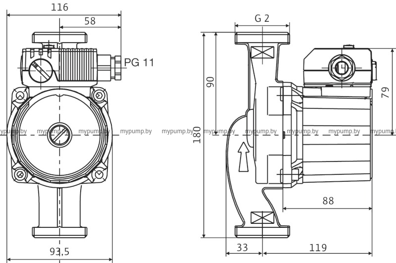
Габариты и Материалы:
- 180
- 3,7
- Серый чугун
- Нержавеющая сталь
- Полипропилен
- Металлографит
-
Подсоединение к трубопроводу:
- Резьбовое, Rp 1¼
- G2
- Пока нет отзывов
Все технические характеристики предоставлены официальными источниками заводов-производителей и носят ознакомительный характер. Для получения более полной и точной информации просим обращаться к нашим специалистам.
info@mypump.by


